2024-09-06
उद्योग | CAZN औद्योगिक रोबोटों के लिए एक कनेक्टिविटी समाधान बन रहा है
और अधिक जानें
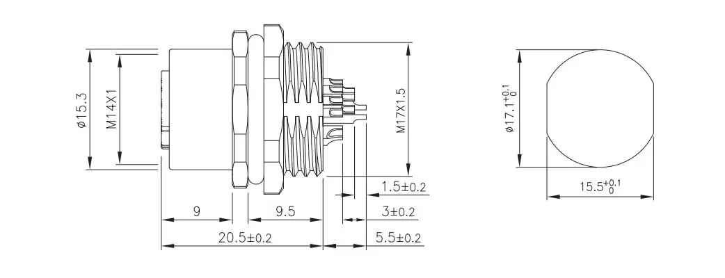
यूरोपीय मानक कनेक्टर एम14 श्रृंखला संरचना प्रकार: फ्रंट माउंट सॉकेट प्लग पिन प्रकार: महिला प्रकार संपर्क संख्या: 2,3,4,5,8,12,14,19पिन कनेक्शन विधि: सोल्डर शील्ड: कोई प्रमाणीकरण नहीं: सीई, आरओएचएस, यूएल, मानक: आईईसी 61076-2-101
| शैल सामग्री | पीतल निकल चढ़ाना/जस्ता मिश्र धातु निकल/पीए+जीएफ |
| इन्सुलेटर सामग्री | पीए66 |
| सीलिंग सामग्री | एपॉक्सी रेज़िन/रबड़ |
| संपर्क सामग्री | पीतल/फॉस्फोरस तांबा सोना चढ़ाया हुआ |
| ढलाई सामग्री | टीपीयू/पीवीसी |
| इन्सुलेशन प्रतिबाधा | ≥ 100 मीटर Ω |
| संपर्क प्रतिबाधा | ≤ 5 मीटर Ω |
| सहनशीलता | ≥ 500 चक्र |
| लागू तापमान | -25 ℃~+80 ℃ |
| जलरोधक | आईपी65/आईपी67 |
| कार्यकारी मानक | आईपीसी-ए-620 |



| प्रोडक्ट का नाम | प्रोडक्ट का नाम | 3डी डाउनलोड | 2डी डाउनलोड |
| M14 फीमेल फ्रंट माउंट सॉकेट-सोल्डर-18पिन | M14-S18-GWB M17 |
|
|
| उत्पाद सूची | CAZN-यूरोपीय मानक उत्पाद चयन मैनुअल |
| CAZN आनुपातिक वाल्व कनेक्टर मैनुअल | देखना |
| CAZN झेंगचेंग कंपन सेंसर कनेक्टर मैनुअल | देखना |
| सीएजेडएन झेंगचेंग - हेवी ड्यूटी चयन मैनुअल - एच2023-2 | देखना |
| CAZN झेंगचेंग प्लास्टिक वाटरप्रूफ कनेक्टर चयन ब्रोशर-E2024-1 | देखना |
| CAZN झेंगचेंग पुश-पुल सेल्फ-लॉकिंग श्रृंखला चयन मैनुअल T2023-2 | देखना |
| CAZN झेंगचेंग यूरोपीय मानक कनेक्टर चयन विवरणिका-एम2023-2 | देखना |
| CAZN झेंगचेंग-आरजे45 औद्योगिक नेटवर्क सिग्नल प्लग-2023-2 | देखना |
| CAZN झेंगचेंग NMEA विशेष कनेक्टर-N2023-1 | देखना |
| CAZN झेंगचेंग अमेरिकी मानक कनेक्टर-26482-MD2023-1 | देखना |
| CAZN-RJ45 औद्योगिक नेटवर्क सिग्नल प्लग-2023-2-अंग्रेजी संस्करण | देखना |
| CAZN-आनुपातिक वाल्व समर्पित कनेक्टर 23-1-अंग्रेजी संस्करण | देखना |
| कंपन सेंसर के लिए CAZN-कनेक्टर्स 23-1-अंग्रेजी संस्करण | देखना |
और अधिक जानें
और अधिक जानें
और अधिक जानें
और अधिक जानें
नियमित उत्पाद आपकी आवश्यकताओं के अनुसार परीक्षण के लिए कुछ निःशुल्क नमूने प्रदान कर सकते हैं,
और आपकी विशेष आवश्यकताओं के अनुसार अनुकूलित विनिर्देश और सामग्री भी प्रदान कर सकते हैं।
गोपनीयता नीति
फिलहाल कोई सामग्री उपलब्ध नहीं है